We specialize in delivering cutting-edge mechanical design services tailored to meet the unique needs of your industry. With a focus on precision, efficiency, and innovation, our team of experienced mechanical designers is committed to transforming your ideas into robust, functional designs that drive performance and success.


Mechanical Design Services
Innovative Mechanical Design Solutions for Your Next Project
7. Custom Mechanical Design:
We create bespoke mechanical solutions to address your specific requirements. Whether it’s designing complex machinery or simple components, our approach ensures that every detail is meticulously crafted to meet the highest standards of quality and functionality.
2. 3D Modeling and Simulation
Utilizing advanced CAD software, we develop detailed 3D models of your designs, enabling thorough analysis and simulation. This process helps in identifying potential issues early, optimizing performance, and ensuring that the final product is both effective and reliable.
3. Prototype Development
Our team takes your concept from the drawing board to reality with rapid prototyping services. We build and test prototypes to validate design concepts, assess functionality, and make necessary adjustments before final production.
4. Mechanical System Integration
We specialize in integrating mechanical systems into existing setups or developing new systems that seamlessly blend with your operational processes. Our designs ensure compatibility and enhance overall system efficiency.
5. Engineering Analysis
Our comprehensive engineering analysis includes stress testing, thermal analysis, and durability assessments to guarantee that your mechanical designs perform optimally under real-world conditions.
6. Production Support:
From initial design through to final production, we provide ongoing support to ensure that your mechanical products are manufactured to specification. Our expertise extends to design for manufacturability, cost-effective material selection, and quality control.
Our Mechanical Design Services Include:
1. Design for Manufacturing (DFM)
We focus on creating designs that are not only innovative but also practical for manufacturing. By considering factors such as ease of assembly and material constraints, we help reduce production costs and time.
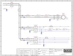
Electrical Panel Design & Build
We specialize in the design and construction of custom electrical panels tailored to meet your specific needs.
From initial design to final assembly, we focus on precision and compliance with industry standards, providing solutions that integrate seamlessly into your operations.
Trust us to power your projects with expertly designed electrical panels to meet your unique requirements.








Providing turnkey solutions for industrial automation needs, including PLC programming and electrical panel design.


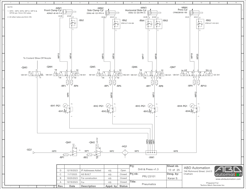
Controls design and integration
Programming Services
We specialize in the design and construction of custom electrical panels tailored to meet your specific needs.
From initial design to final assembly, we focus on precision and compliance with industry standards, providing solutions that integrate seamlessly into your operations.
Trust us to power your projects with expertly designed electrical panels to meet your unique requirements.








Providing turnkey solutions for industrial automation needs, including PLC programming and electrical panel design.


HMI and GUI Design
Robot integration
We specialize in the design and construction of custom electrical panels tailored to meet your specific needs.
From initial design to final assembly, we focus on precision and compliance with industry standards, providing solutions that integrate seamlessly into your operations.
Trust us to power your projects with expertly designed electrical panels to meet your unique requirements.








Why Choose Us?
Expertise and Experience: Our team of skilled mechanical designers brings years of experience and a deep understanding of industry standards to every project.
Advanced Technology: We leverage the latest in design software and technology to deliver precise and efficient solutions.
Customer-Centric Approach: We work closely with you to understand your needs and provide solutions that align with your goals and budget.
Commitment to Quality: Quality is at the heart of everything we do. We ensure that every design meets the highest standards of functionality, reliability, and performance.
Partner with [Your Company Name] for your mechanical design needs and experience the difference that professional, innovative design can make. Contact us today to discuss your project and how we can help bring your vision to life.
ABD Limited
746 Richmond Street, Unit D
Chatham, Ontraio N7M 5J5
Canada
© 2021. All rights reserved.
Industrial Automation & Engineering Services
by

